meta data for this page
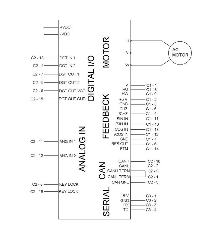
Epulse30 Connectors
Connector types
| Port | Ordering Code | Brand | Description |
| C3 | 501939-0400 | PicoClasp | 4 poles flying, for serial communication (Receptacle Housing) |
| C2 | 501189-2010 | PicoClasp | 20 poles flying, for input/output/can (Receptacle Housing) |
| C1 | 501330-0800 | PicoClasp | 8 poles flying, for motor feedback (Receptacle Housing) |
| - | 501193-7000 | PicoClasp | Crimp Terminal, 20-24 AWG |
| – | 079758-1017 | PicoClasp | Pre-Crimped Lead MicroClasp Female, 300mm, 28AWG |
| – | TTL-232R-3V3-WE | NiLAB | UART/TTL3V3 Converter |
