meta data for this page

ULCO 44

Performance in a small size, ideal for small power application with limited space. Good load rating.

ulco44.jpg

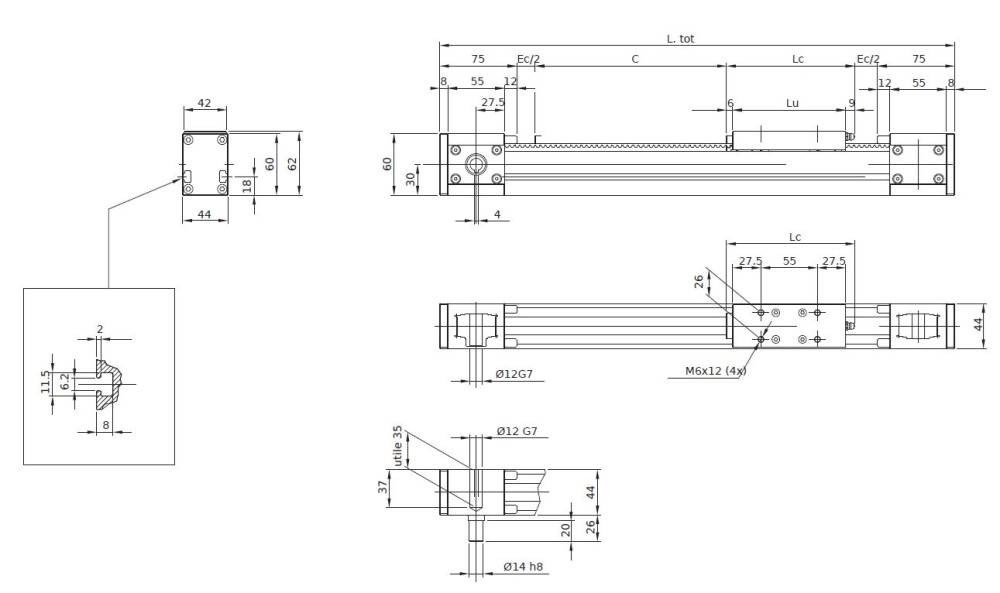
Mechanical Drawing

ulco44_drw.jpg

Load rating

ulco44_forces.jpg

ulco44_rating.jpg

Technical data

Parameter Symbol Value Unit
Max usable stroke 6500mm
Total lenghtLtotC+Lc+210mm
Carriage lengthLc125mm
Carriage usable lengthLu110mm
Extra-stroke (safety)Ec60mm
Max speed 250m/min
Max acceleration 100m/sec2
Position repeatability < 0.05mm
Aluminium profile section 44 x 43mm
Inertia momentum of aluminium profileIx93110mm4
Inertia momentum of aluminium profileIy162710mm4
Type of mechanic linear guide with compact block
Belt type Poliuretan HTD-5M-17
Pulley teeth number 24
Diameter 38,2mm
Linear movement per rotation 120mm
Operating temperature -20 / +60degrees