meta data for this page

ULCO 132

ulco132.jpg

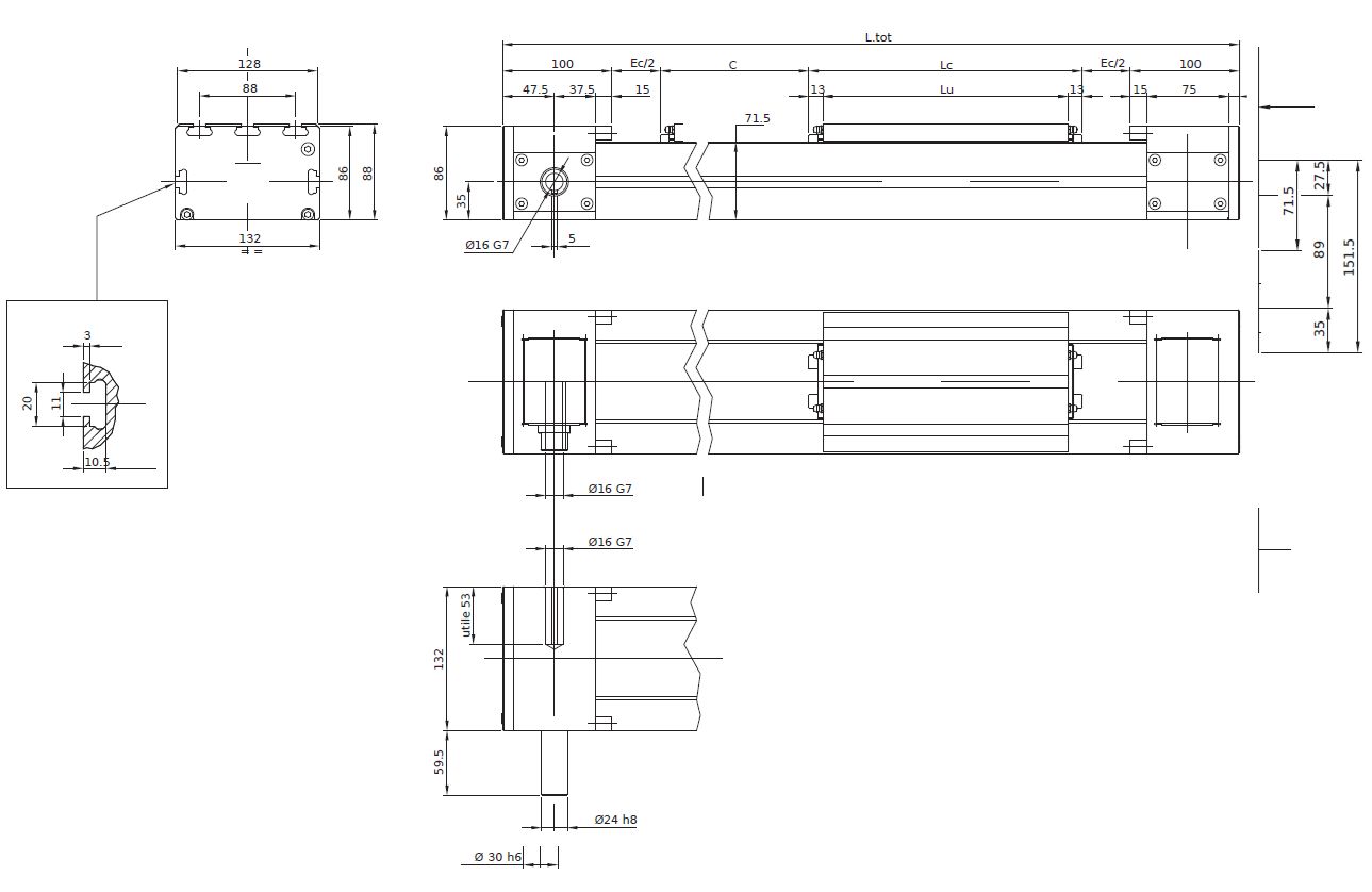
Mechanical Drawing

ulco132_drw.jpg

Load rating

ulco132_forces.jpg

ulco132_rating.jpg

Technical data

Parameter Symbol Value Unit
Max usable stroke 6500mm
Total lenghtLtotC+Lc+260mm
Carriage lengthLc290mm
Carriage usable lengthLu270mm
Extra-stroke (safety)Ec60mm
Max speed 180m/min
Max acceleration 100m/sec2
Position repeatability < 0.05mm
Aluminium profile section 132 x 71 x 5mm
Inertia momentum of aluminium profileIx1413267mm4
Inertia momentum of aluminium profileIy2429437mm4
Type of mechanic linear guide with compact block
Belt type Poliuretan HTD-5M-75
Pulley teeth number 36
Diameter 57,3mm
Linear movement per rotation 180mm
Operating temperature -20 / +60degrees